Ten artykuł to kompleksowy przewodnik, który pomoże Ci wybrać najlepszy kocioł dwupaliwowy na pellet i drewno. Dowiesz się, na co zwrócić uwagę, aby podjąć świadomą decyzję zakupową, zapewniając sobie elastyczność, oszczędności i komfort ogrzewania.
Wybór idealnego kotła na pellet i drewno kluczowe aspekty dla Twojego domu
- Wszystkie nowe kotły muszą spełniać normy Ecodesign i 5. klasy, co jest warunkiem uzyskania dofinansowania (np. z programu "Czyste Powietrze").
- Na rynku dostępne są kotły z jedną komorą i rusztem awaryjnym, dwiema niezależnymi komorami spalania lub zaawansowane kotły zgazowujące drewno z palnikiem na pellet.
- Kluczowe jest precyzyjne dobranie mocy kotła do zapotrzebowania cieplnego budynku, aby uniknąć problemów z efektywnością i żywotnością.
- Bufor ciepła jest niezbędny, zwłaszcza dla kotłów zgazowujących drewno, stabilizując ich pracę i zwiększając sprawność.
- Nowoczesna automatyka (sterowanie pogodowe, internet, automatyczne czyszczenie) znacząco podnosi komfort użytkowania kotła.
- Dla optymalnej pracy i niskiej emisji kluczowe jest stosowanie certyfikowanego pelletu (klasa A1) oraz sezonowanego drewna o wilgotności poniżej 20%.
Elastyczność i bezpieczeństwo: jak uniezależnić się od wahań cen pelletu i drewna?
W dzisiejszych czasach elastyczność w wyborze paliwa grzewczego staje się coraz ważniejsza. Rosnące zainteresowanie kotłami dwupaliwowymi na pellet i drewno wynika właśnie z potrzeby uniezależnienia się od nieprzewidywalnych wahań cen jednego rodzaju paliwa. Posiadanie kotła, który może efektywnie spalać zarówno pellet, jak i drewno, daje nam swobodę wyboru. W zależności od aktualnej sytuacji rynkowej, dostępności i preferencji, możemy zdecydować, które paliwo będzie w danym momencie bardziej opłacalne. Szczególnie cenne jest to w kontekście możliwości wykorzystania tańszego, lokalnie dostępnego drewna, co może przynieść znaczące oszczędności w domowym budżecie. To właśnie ta swoboda czyni kotły dwupaliwowe tak atrakcyjnym rozwiązaniem dla wielu gospodarstw domowych.
Ekologia i przepisy: czy kocioł dwupaliwowy spełnia normy Ecodesign i kwalifikuje się do dotacji?
Decydując się na zakup nowego kotła na pellet i drewno, musimy pamiętać o obowiązujących przepisach i normach. Wszystkie nowe urządzenia tego typu muszą spełniać rygorystyczne wymagania dyrektywy Ecodesign oraz normę 5. klasy (PN-EN 303-5: 2012). Te certyfikaty są nie tylko gwarancją ekologicznego i efektywnego spalania, ale przede wszystkim warunkiem koniecznym do uzyskania dofinansowania, na przykład z popularnego programu "Czyste Powietrze". Warto również sprawdzić, czy w naszym regionie nie obowiązują lokalne uchwały antysmogowe, które mogą narzucać dodatkowe wymagania dotyczące stosowanych urządzeń grzewczych. Spełnienie tych kryteriów jest kluczowe dla uzyskania wsparcia finansowego i zgodności z prawem.
Komfort kontra oszczędności: kiedy opłaca się palić pelletem, a kiedy drewnem?
Wybór między pelletem a drewnem jako paliwem do kotła dwupaliwowego to często balansowanie między komfortem a potencjalnymi oszczędnościami. Pellet oferuje niemal pełną automatyzację i bezobsługowość wystarczy zasypać zasobnik, a kocioł sam dozuje paliwo i utrzymuje zadaną temperaturę. Jest to niezwykle wygodne, zwłaszcza dla osób ceniących swój czas. Z drugiej strony, drewno, choć wymaga ręcznego załadunku, często jest tańsze, szczególnie jeśli mamy do niego łatwy, lokalny dostęp. Kaloryczność obu paliw jest porównywalna, ale kluczowa jest ich cena i wilgotność. Sezonowane drewno o wilgotności poniżej 20% spala się efektywnie i z mniejszą emisją. Warto rozważyć scenariusz, w którym korzystamy z pelletu na co dzień dla wygody, a drewno wykorzystujemy w okresach, gdy jego cena jest szczególnie atrakcyjna lub gdy mamy więcej czasu na jego obsługę.

Wybór technologii: kluczowe rozwiązania w kotłach dwupaliwowych
Jedna komora z rusztem awaryjnym czy to rozwiązanie dla Ciebie?
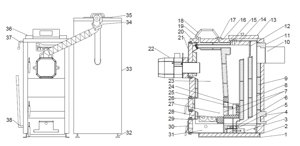
Najprostszym i często najtańszym rozwiązaniem w kotłach dwupaliwowych jest konstrukcja z jedną komorą spalania, wyposażona w dodatkowy, awaryjny ruszt na drewno. Tego typu kotły są zazwyczaj łatwiejsze w obsłudze i tańsze w zakupie. W codziennym użytkowaniu mogą pracować na pellecie, korzystając z automatycznego podajnika. W sytuacji awaryjnej lub gdy chcemy wykorzystać posiadane drewno, możemy je załadować na ruszt i palić tradycyjnie. Należy jednak pamiętać, że sprawność spalania drewna w takiej konfiguracji może być niższa niż w dedykowanych kotłach. Jest to jednak dobre rozwiązanie dla osób, które szukają kompromisu między ceną a możliwością spalania dwóch rodzajów paliwa, a priorytetem jest dla nich wygoda pelletu.
Dwie niezależne komory spalania maksymalna wydajność dla każdego paliwa
Bardziej zaawansowanym rozwiązaniem są kotły wyposażone w dwie niezależne komory spalania jedną dedykowaną do spalania pelletu, a drugą do spalania drewna. Taka konstrukcja pozwala na optymalizację procesu spalania dla każdego z paliw z osobna. Komora na drewno jest zazwyczaj większa i zaprojektowana z myślą o efektywnym zgazowaniu lub spalaniu tradycyjnym, podczas gdy komora na pellet współpracuje z precyzyjnym palnikiem. Główną zaletą tego typu kotłów jest osiąganie wyższej sprawności zarówno podczas spalania pelletu, jak i drewna, co przekłada się na niższe zużycie paliwa i mniejszą emisję zanieczyszczeń. Jest to rozwiązanie dla osób, które oczekują maksymalnej wydajności i efektywności niezależnie od wybranego paliwa.
Kocioł zgazowujący drewno z palnikiem na pellet technologia dla najbardziej wymagających
Dla najbardziej wymagających użytkowników, ceniących sobie najwyższą efektywność i ekologię, idealnym wyborem będzie kocioł zgazowujący drewno (tzw. kocioł na holzgas) zintegrowany z automatycznym palnikiem na pellet. Technologia zgazowania drewna pozwala na osiągnięcie bardzo wysokiej sprawności spalania, często przekraczającej 90%. Proces ten polega na pirolitycznym rozkładzie drewna w wysokiej temperaturze, co prowadzi do powstania gazu drzewnego, który następnie jest spalany w drugiej komorze z dużą efektywnością. Połączenie tej technologii z nowoczesnym, automatycznym palnikiem na pellet tworzy wysoce wydajne i wszechstronne urządzenie, które minimalizuje wpływ na środowisko i zapewnia maksymalne korzyści energetyczne.
Rola bufora ciepła dlaczego jest niezbędny i jak wpływa na żywotność kotła?
Niezależnie od wybranej technologii, zwłaszcza w przypadku kotłów zgazowujących drewno, instalacja bufora ciepła jest często kluczowa dla optymalnej pracy systemu. Bufor działa jak akumulator ciepła, magazynując nadwyżki energii cieplnej wyprodukowanej przez kocioł. Zapobiega to przegrzewaniu się kotła i pozwala na jego pracę w najbardziej efektywnym zakresie temperatur. Stabilizuje to również pracę instalacji grzewczej, zapobiegając częstym cyklom wygaszania i rozpalania, co z kolei znacząco wydłuża żywotność kotła i jego podzespołów. W przypadku kotłów zgazowujących drewno, bufor ciepła jest nie tylko zalecany, ale często wręcz obowiązkowy, aby zapewnić prawidłowe działanie urządzenia i spełnić normy emisyjne.
Dobór mocy kotła: jak uniknąć kosztownych błędów?
Dlaczego przewymiarowany kocioł to zły pomysł? Problem "smoleń" i niskiej sprawności
Wybór kotła o zbyt dużej mocy w stosunku do rzeczywistego zapotrzebowania budynku na ciepło to częsty błąd, który może prowadzić do wielu problemów. Przewymiarowany kocioł będzie pracował na niskich obrotach, często wyłączając się i uruchamiając ponownie. Taka praca, zwana "cykaniem", jest nieefektywna energetycznie i prowadzi do powstawania tzw. smoły w komorze spalania i przewodach kominowych. Jest to lepka, czarna substancja powstająca w wyniku niepełnego spalania, która obniża sprawność kotła, zwiększa emisję szkodliwych substancji i może prowadzić do szybszego zużycia urządzenia, a nawet zagrożenia pożarowego. Dlatego tak ważne jest precyzyjne dobranie mocy kotła.
Prosty sposób na oszacowanie zapotrzebowania na ciepło (stare i nowe budownictwo)
Aby wstępnie oszacować potrzebną moc kotła, można posłużyć się prostym przelicznikiem, uwzględniającym powierzchnię domu oraz jego standard izolacji. Dla starszego budownictwa, z gorszą izolacją termiczną, przyjmuje się zazwyczaj zapotrzebowanie na poziomie około 100-120 W na metr kwadratowy. Natomiast w przypadku nowoczesnego budownictwa, charakteryzującego się dobrą izolacją, szczelnymi oknami i nowoczesnymi systemami wentylacji, zapotrzebowanie to spada do około 40-60 W na metr kwadratowy. Pamiętajmy, że są to wartości orientacyjne, które należy traktować jako punkt wyjścia do dalszych obliczeń.
Na co zwrócić uwagę w dokumentacji technicznej budynku (charakterystyka energetyczna)?
Najbardziej precyzyjne i wiarygodne dane dotyczące zapotrzebowania budynku na ciepło znajdziemy w jego dokumentacji technicznej. Szczególnie warto zwrócić uwagę na charakterystykę energetyczną obiektu. Dokument ten zawiera szczegółowe informacje na temat izolacji ścian, dachu, parametrów okien, systemu wentylacji oraz innych czynników wpływających na straty ciepła. Analiza charakterystyki energetycznej pozwoli na dokładne obliczenie zapotrzebowania na moc grzewczą i wybór kotła o optymalnej wydajności, co zapewni efektywne i ekonomiczne ogrzewanie przez wiele lat.
Komfort użytkowania: automatyka i inteligentne funkcje kotła
Sterowanie pogodowe i przez internet ogrzewanie pod pełną kontrolą
Nowoczesne kotły dwupaliwowe oferują zaawansowane systemy sterowania, które znacząco podnoszą komfort ich użytkowania. Sterowanie pogodowe automatycznie dostosowuje moc kotła do aktualnych warunków atmosferycznych na zewnątrz, zapewniając stałą, komfortową temperaturę w domu przy minimalnym zużyciu paliwa. Jeszcze większą wygodę daje możliwość sterowania kotłem przez internet. Dzięki dedykowanym aplikacjom na smartfony możemy zdalnie kontrolować pracę urządzenia, zmieniać ustawienia, programować harmonogramy grzania, a nawet otrzymywać powiadomienia o ewentualnych awariach. To wszystko sprawia, że ogrzewanie domu staje się prostsze i bardziej efektywne.
Automatyczne czyszczenie palnika i wymiennika ile czasu naprawdę zaoszczędzisz?
Jedną z najbardziej cenionych funkcji w kotłach na pellet jest automatyczne czyszczenie. System ten, poprzez mechaniczne usuwanie nagromadzonego popiołu z palnika i wymiennika ciepła, znacząco redukuje potrzebę regularnego, ręcznego serwisowania kotła. Dzięki automatycznemu czyszczeniu możemy zaoszczędzić sporo czasu, który normalnie poświęcilibyśmy na konserwację. Co więcej, utrzymanie palnika i wymiennika w czystości jest kluczowe dla zachowania wysokiej sprawności kotła i minimalizacji emisji. Ta funkcja sprawia, że użytkowanie kotła staje się znacznie wygodniejsze, a jego praca bardziej stabilna i wydajna.
System automatycznego rozpalania wygoda nie tylko przy pellecie
System automatycznego rozpalania, który jest standardem w kotłach na pellet, coraz częściej pojawia się również w zaawansowanych kotłach dwupaliwowych. Ta funkcja eliminuje konieczność ręcznego rozpalania ognia, co jest szczególnie doceniane w chłodniejsze dni. Kocioł sam rozpoczyna proces spalania w zaprogramowanym czasie lub gdy temperatura w systemie spadnie poniżej określonego poziomu. Automatyczne rozpalanie znacząco podnosi komfort użytkowania, sprawiając, że kocioł działa niemal jak w pełni zautomatyzowane urządzenie, wymagające jedynie okresowego uzupełniania paliwa.
Jak duży podajnik na pellet wybrać, by nie być niewolnikiem kotłowni?
Pojemność zasobnika na pellet ma bezpośredni wpływ na częstotliwość jego uzupełniania, a co za tym idzie na nasz komfort. Standardowe podajniki mają pojemność około 150-200 litrów, co zazwyczaj wystarcza na kilka dni pracy kotła, w zależności od jego mocy i zapotrzebowania budynku na ciepło. Dostępne są również większe zasobniki, nawet o pojemności 300-400 litrów, które mogą zapewnić nawet tydzień lub dłużej ciągłej pracy bez konieczności interwencji. Wybór wielkości podajnika powinien być dopasowany do naszych indywidualnych potrzeb, częstotliwości wyjazdów czy po prostu preferowanego poziomu wygody. Większy zasobnik to mniejsza częstotliwość obsługi, ale także większy koszt początkowy i potencjalnie większa zajmowana przestrzeń.
Kluczowe aspekty montażu i wyboru instalatora
Wymagania dotyczące komina przekrój, wysokość i materiał
Prawidłowe funkcjonowanie kotła na pellet i drewno w dużej mierze zależy od stanu i parametrów komina. Kluczowe jest zapewnienie odpowiedniego ciągu kominowego, który jest niezbędny do efektywnego odprowadzania spalin. Wymagania dotyczące przekroju, wysokości i materiału komina są ściśle określone przez producenta kotła. Zazwyczaj zaleca się stosowanie kominów o gładkiej powierzchni wewnętrznej, wykonanych z materiałów kwasoodpornych (np. stal nierdzewna), które są odporne na działanie agresywnych spalin i kondensatu. Przed montażem nowego kotła konieczne jest sprawdzenie stanu technicznego istniejącego komina i ewentualne jego dostosowanie do nowych wymagań.
Prawidłowe podłączenie bufora i zaworu czterodrożnego klucz do efektywności
Efektywność całego systemu grzewczego, a także jego żywotność, zależą od prawidłowego podłączenia wszystkich jego elementów. Szczególnie ważne jest właściwe zainstalowanie bufora ciepła oraz zaworu czterodrożnego. Zawór czterodrożny, współpracując z kotłem, chroni go przed korozją niskotemperaturową, utrzymując temperaturę czynnika grzewczego na odpowiednio wysokim poziomie. Bufor ciepła natomiast stabilizuje pracę kotła i pozwala na magazynowanie nadwyżek energii. Błędy w podłączeniu tych elementów mogą prowadzić do obniżenia sprawności systemu, szybszego zużycia kotła, a nawet jego uszkodzenia.
Autoryzowany instalator dlaczego jego wybór jest ważniejszy niż myślisz?
Wybór odpowiedniego instalatora to jeden z najważniejszych etapów przy zakupie i montażu kotła dwupaliwowego. Tylko autoryzowany i doświadczony instalator jest w stanie zagwarantować prawidłowy montaż urządzenia zgodnie z zaleceniami producenta. Jest to warunek konieczny do utrzymania gwarancji na kocioł, zapewnienia jego bezpiecznej i efektywnej pracy, a także często wymagane przy ubieganiu się o dotacje z programów rządowych. Autoryzowany serwisant posiada odpowiednią wiedzę techniczną i narzędzia, co minimalizuje ryzyko błędów montażowych i zapewnia długą żywotność instalacji grzewczej.

Popularne modele i marki kotłów dwupaliwowych: rekomendacje
Analiza kotłów z oddzielnymi komorami na jakie modele warto zwrócić uwagę?
Na polskim rynku dostępnych jest wielu renomowanych producentów kotłów dwupaliwowych, którzy oferują modele z oddzielnymi komorami spalania. Warto zwrócić uwagę na marki takie jak Kostrzewa, Defro, Heiztechnik, Lazar, SAS czy PellasX. Te firmy cieszą się dobrą opinią ze względu na wysoką jakość wykonania swoich urządzeń, ich niezawodność oraz dostępność profesjonalnego serwisu. Przy wyborze konkretnego modelu z tej kategorii, należy zwrócić uwagę na jego moc, sprawność, pojemność zasobnika na pellet oraz dostępne funkcje automatyki. Warto porównać specyfikacje techniczne i sprawdzić opinie użytkowników dotyczące konkretnych modeli.
Porównanie kotłów zgazowujących z funkcją spalania pelletu liderzy wydajności
Jeśli priorytetem jest najwyższa możliwa wydajność i ekologiczność, warto przyjrzeć się kotłom zgazowującym drewno zintegrowanym palnikiem na pellet. Liderami w tej technologii są często te same marki, które specjalizują się w nowoczesnych rozwiązaniach grzewczych. Charakteryzują się one najwyższą sprawnością spalania, często przekraczającą 90%, co przekłada się na minimalne zużycie paliwa i niską emisję szkodliwych substancji. Zaawansowana automatyka, w tym sterowanie pogodowe i możliwość zdalnego zarządzania, dodatkowo podnosi komfort użytkowania. To rozwiązanie dla najbardziej wymagających użytkowników, którzy szukają technologicznie zaawansowanych i efektywnych systemów grzewczych.
Opinie użytkowników gdzie szukać wiarygodnych recenzji i na co uważać?
Szukając informacji o konkretnych modelach kotłów dwupaliwowych, warto zapoznać się z opiniami innych użytkowników. Wiarygodne recenzje można znaleźć na specjalistycznych forach branżowych, grupach tematycznych w mediach społecznościowych, a także na portalach agregujących opinie o produktach. Należy jednak pamiętać, że opinie są subiektywne. Analizując je, warto zwrócić uwagę na doświadczenia użytkowników z dłuższym stażem, którzy mogą ocenić niezawodność kotła w dłuższej perspektywie. Ważne są również informacje dotyczące jakości obsługi posprzedażowej i dostępności serwisu. Unikajmy opinii bardzo krótko po zakupie, które mogą nie odzwierciedlać rzeczywistych, długoterminowych doświadczeń.
Wybór najlepszego kotła: Twoja lista kontrolna
Stwórz listę kontrolną: Twoje potrzeby, budżet i parametry techniczne
Aby dokonać świadomego wyboru kotła dwupaliwowego, warto stworzyć własną listę kontrolną, która pomoże uporządkować kluczowe kwestie:
- Określ swoje priorytety: Zastanów się, czy ważniejszy jest dla Ciebie maksymalny komfort i automatyzacja (pellet), czy może niższe koszty eksploatacji i większa elastyczność w wyborze paliwa (drewno).
- Ustal budżet: Określ, ile możesz przeznaczyć na zakup i montaż kotła, pamiętając o możliwościach skorzystania z programów dofinansowania, które mogą znacząco obniżyć koszty inwestycji.
- Oblicz zapotrzebowanie na ciepło: Precyzyjnie oszacuj zapotrzebowanie cieplne Twojego domu, biorąc pod uwagę jego powierzchnię, stopień izolacji i inne parametry. Dobór odpowiedniej mocy kotła jest kluczowy dla jego efektywnej pracy.
- Wybierz technologię spalania: Zdecyduj, która technologia (jedna komora z rusztem, dwie niezależne komory, czy kocioł zgazowujący drewno z palnikiem na pellet) najlepiej odpowiada Twoim potrzebom i oczekiwaniom.
- Sprawdź certyfikaty: Upewnij się, że wybrany kocioł posiada wymagane certyfikaty Ecodesign i 5. klasy, co jest warunkiem uzyskania dofinansowania i gwarancją ekologicznego spalania.
- Zwróć uwagę na automatykę: Oceń, jakie funkcje automatyki (sterowanie pogodowe, internetowe, automatyczne czyszczenie, rozpalanie) są dla Ciebie istotne i podniosą komfort użytkowania.
- Zaplanuj bufor ciepła: Rozważ instalację bufora ciepła, który jest często niezbędny dla optymalnej pracy kotła (zwłaszcza zgazowującego drewno) i zwiększa jego żywotność.
- Wybierz instalatora: Zadbaj o wybór autoryzowanego i doświadczonego instalatora, który zapewni prawidłowy montaż i uruchomienie kotła, co jest kluczowe dla jego gwarancji i bezawaryjnej pracy.
Finalna decyzja: które rozwiązanie zapewni Ci najwięcej korzyści w perspektywie lat?
Podjęcie ostatecznej decyzji o wyborze kotła dwupaliwowego powinno być poprzedzone staranną analizą wszystkich powyższych czynników. Pamiętaj, że jest to inwestycja na wiele lat. Zastanów się, które rozwiązanie zapewni Ci nie tylko komfort cieplny, ale także realne oszczędności w długoterminowej perspektywie, uwzględniając koszty paliwa, serwisowania, a także dostępność części zamiennych i wsparcia technicznego. Dobrze dobrany kocioł dwupaliwowy to gwarancja efektywnego, ekologicznego i ekonomicznego ogrzewania, które sprosta Twoim potrzebom przez długie lata, jednocześnie minimalizując wpływ na środowisko i zapewniając niezależność energetyczną.
Przeczytaj również: Gdzie kupić pellet lubelskie? Sprawdź najlepsze oferty i ceny
Twoja droga do idealnego kotła na pellet i drewno kluczowe wnioski
Wybór odpowiedniego kotła dwupaliwowego na pellet i drewno to inwestycja, która może przynieść znaczące korzyści w postaci elastyczności, oszczędności i komfortu ogrzewania. Przeszliśmy przez kluczowe aspekty technologiczne, prawne i praktyczne, które pomogą Ci podjąć świadomą decyzję i cieszyć się efektywnym ogrzewaniem przez lata.
- Pamiętaj o spełnieniu norm Ecodesign i 5. klasy, co jest warunkiem uzyskania dofinansowania i gwarancją ekologicznej pracy kotła.
- Precyzyjny dobór mocy kotła do zapotrzebowania budynku to podstawa efektywności i uniknięcia problemów eksploatacyjnych.
- Rozważ zaawansowane technologie, takie jak zgazowanie drewna z palnikiem na pellet, oraz niezbędny bufor ciepła, jeśli zależy Ci na najwyższej wydajności i ekologii.
- Nie zapomnij o roli autoryzowanego instalatora to klucz do prawidłowego montażu, gwarancji i bezawaryjnej pracy urządzenia.
Z mojego doświadczenia wynika, że choć technologia kotłów dwupaliwowych jest coraz bardziej zaawansowana, to właśnie dokładne zrozumienie własnych potrzeb i specyfiki budynku jest fundamentem udanego wyboru. Nie kieruj się wyłącznie ceną zakupu długoterminowe koszty eksploatacji i komfort użytkowania mają równie, jeśli nie większe, znaczenie. Warto poświęcić czas na analizę, która zaprocentuje w przyszłości.
A jakie są Twoje doświadczenia z kotłami dwupaliwowymi? Które rozwiązanie wydaje Ci się najbardziej praktyczne dla Twojego domu? Podziel się swoją opinią w komentarzach!
